


NB
SMST10GUU NB 10mm Slide Bush Bushings Miniature Motion Linear Bearing
Title
$169.40 CAD
$228.67 CADyou save $59.27 CAD
SKU: Kit20723
UPC: 00193019121191
UPC: 00193019121191
Item: SMST10GUU NB Bearing
Type: Linear Slide Bush
Retainer Material: Resin
Bearing Inner Diameter: 10mm
Quantity: One Bearing
Type: Linear Slide Bush
Retainer Material: Resin
Bearing Inner Diameter: 10mm
Quantity: One Bearing
SMST10GUU NB Two Side Cut Flange Anticorrosion Slide Bush Made in Japan:NB Linear Systems Nippon Bearing Linear Systems |
SMST10GUU NB Two Side Cut Flange Linear Anticorrosion Slide Bush, The retainer material is resin, series mainly used in the USA, NB brand (Nippon Bearing Linear Systems), Made in Japan.
|
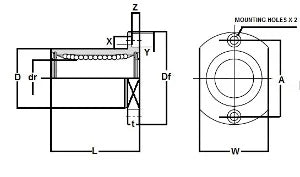
Major Dimensions | |||||||||
---|---|---|---|---|---|---|---|---|---|
dr | D | L | Df | W | t | A | X x Y x Z | ||
mm | tolerance | mm | tolerance | ||||||
10 | 0-9 | 19 | 0-16 | 29 | 40 | 25 | 6 | 29 | 4.5 x 7.5 x 4.1 |