

NB
SMST6GUU NB 6mm Slide Bush Bushings Miniature Motion Linear Bearing
Title
$163.69 CAD
$220.98 CADyou save $57.29 CAD
SKU: Kit20721
UPC: 00193019121177
UPC: 00193019121177
Item: SMST6GUU NB Bearing
Type: Linear Slide Bush
Retainer Material: Resin
Bearing Inner Diameter: 6mm
Quantity: One Bearing
Type: Linear Slide Bush
Retainer Material: Resin
Bearing Inner Diameter: 6mm
Quantity: One Bearing
SMST6GUU NB Two Side Cut Flange Anticorrosion Slide Bush Made in Japan:NB Linear Systems Nippon Bearing Linear Systems |
SMST6GUU NB Two Side Cut Flange Linear Anticorrosion Slide Bush, The retainer material is resin, series mainly used in the USA, NB brand (Nippon Bearing Linear Systems), Made in Japan.
|
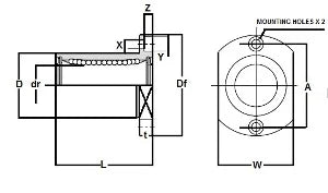
Major Dimensions | |||||||||
---|---|---|---|---|---|---|---|---|---|
dr | D | L | Df | W | t | A | X x Y x Z | ||
mm | tolerance | mm | tolerance | ||||||
6 | 0-9 | 12 | 0-13 | 19 | 28 | 18 | 5 | 20 | 3.5 x 6 x 3.1 |