

35mm RSBW35 Self Sprag Freewheel Backstop One-Way Clutch 35x106x48mm
UPC: 00193019338650
RSBW35 Freewheel Backstop Clutch
✔️ 35mm x 106mm x 48mm - One-Way Sprag Design
The RSBW35 self-sprag clutch bearing is built for backstopping, indexing, and overrunning duties in systems that need one-direction rotation. It's perfect for use in conveyors, textile machinery, mining systems, and any setup where reverse motion could cause damage or downtime.
✅ Type: One-way clutch bearing
✅ Inner diameter: 35mm
✅ Outer diameter: 106mm
✅ Width: 48mm
✅ Applications: Overrunning, Indexing, Backstopping
✅ Quantity: One clutch bearing
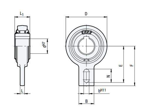
Detailed Dimensions (mm):
d (ID) | D (OD) | L1 (Width) | F | E | B | N |
---|---|---|---|---|---|---|
35 | 106 | 48 | 113 | 102.5 | 40 | 35 |
💡 Why are backstop clutch bearings important in conveyor systems?
Backstop clutch bearings prevent reverse rotation when a conveyor or mechanical system shuts down. They help avoid accidents, product slippage, and damage caused by gravity or inertia - especially in upward-moving applications.
This clutch bearing offers a dependable solution for keeping machines stable and moving in the right direction.