



VXB
30-45 days delivery
RU66UU Cross Roller Slewing Ring Turntable Bearing 35x95x15mm
Title
$569.15 CAD
$768.35 CADyou save $199.20 CAD
SKU: RU66UU
UPC: 00193019053058
UPC: 00193019053058
30-45 days delivery
RU66UU Cross Roller Bearing 35x95x15mm |
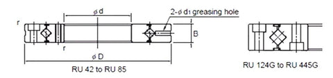
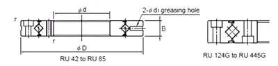
RU66UU With the Cross-Roller Ring, cylindrical rollers are arranged crosswise.This design allows just one bearing to receive loads in all directions including, radial, axial and moment load. The inner and outer rings are designed to be separable, the bearing clearance can be adjusted. In addition, highly accurate rotary motion is ensured through adjusting the bearing clearance to provide a preload. .
|