NBK

10-Pack Made in Japan SLHS-M10-40 NBK Socket Head Cap Screws - Low Profile

 
$194.14 CAD $262.09 CADyou save $67.95 CAD
SKU: SLHS-M10-40-NBK
UPC: 0
Item : SLHS-M10-40
Quantity: 10 Screws
Brand : NBK
Made in Japan

 
Made in Japan SLHS-M10-40-NBK
Socket Head Cap Screws with Low Profile
Pack of 10


Applivcation
    Reducing the size of equipment and devices
Characteristics:
  • Socket head cap screws have low head heights.
  • Intended for reducing the size of devices and applications with limited overhead space



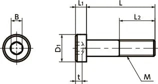
Part Number M L D1 L1 B t L2 Max. Torque(N-m) Quantity Per Pack
SLHS-M10-40-NBK M10 40mm 16mm 6mm 6mm 4.5mm Full Thread 25 N.m 10