

NBK
NBK Japan MFBS-32C 10mm to 10mm Bellows-type Flexible Coupling Stainless
Title
$572.94 CAD
$773.46 CADyou save $200.52 CAD
SKU: MFBS-32C-10mm-10mm
UPC: 0
UPC: 0
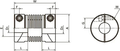
Coupling Bore 1 Diameter:10mm
Coupling Bore 2 Diameter:10mm
Coupling Length: 42
Coupling Outer Diameter:32
Coupling Bore 2 Diameter:10mm
Coupling Length: 42
Coupling Outer Diameter:32
NBK Japan MFBS-32C 10mm to 10mm Bellows-type Flexible Coupling Stainless
NBK Japan MFBS-32C 10mm to 10mm Stainless Bellows-type Flexible Coupling |
NBK Japan MFBS-32C 10mm to 10mm Bellows-type Flexible Coupling Stainless, this is a bellows type flexible coupling. The bellows allows eccentricity, angularmisalignment, and end-play.
|