VXB
UCFA207-20 Black Oxide Plated insert Flange Cartridge Bearing Unit 1-1/4" Mounted Bearing
Title
$129.42 CAD
$174.71 CADyou save $45.29 CAD
SKU: UCFA207-20-BLACK
UPC: 00193019332740
UPC: 00193019332740
Item: UCFA207-20 BlacK Insert Bearing + Flange Housing
Type: Adjustable Flange Cartridge Unit
Basic Load (Cr): 25.7 KN
Basic Load (Cor): 15.4 KN
Bolt Size: 1/2
Type: Adjustable Flange Cartridge Unit
Basic Load (Cr): 25.7 KN
Basic Load (Cor): 15.4 KN
Bolt Size: 1/2
| UCFA207-20 Black Insert Adjustable Flange Cartridge Unit 1 1/4" inch Inner Diameter |
|
UCFA207-20 Black Insert Adjustable Flange Cartridge Unit, the inner Diameter is 1 1/4" inch. Black oxide has certain properties and characteristics that makes it ideal for certain applications. It is used to add corrosion resistance and for appearance
|
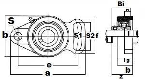
| Dimensions (inch) | |||||||||||
|---|---|---|---|---|---|---|---|---|---|---|---|
| a | e | i | g | S | S1 | S2 | b | f | z | Bi | n |
| 6-11/32" | 5-1/8" | 3/4" | 5/8" | 35/64" | 19/32" | 2-19/32" | 3-35/64" | 3-15/64" | 1-3/4" | 1-11/16" | 11/16" |