






LFR5201-12NPP 12mm ID x 35mm U-Groove Track Roller Bearing
UPC : 00193019038710
Type : Roulement Ă rouleaux de chenille UGroove
Quantité : Un roulement
Charge dynamique Cw : 8,4 KN
Charge statique Cow : 5 KN
LFR5201-12NPP Roulement Ă rouleaux de rail Ă rainure en U
✔️ 12 mm de diamètre extérieur x 35 mm de diamètre extérieur x 15,9 mm de large
La LFR5201-12NPP est un roulement guide en U robuste conçu pour des systèmes à mouvement linéaire fonctionnant sur des rails ronds ou des rails de guidage. Avec un diamètre intérieur de 12 mm et une construction durable, il est parfait pour les applications à forte charge comme les convoyeurs automatisés, les systèmes de rails et les installations de transport guidé.
âś… Type : roulement Ă rouleaux de chenille Ă rainure en U
✅ Diamètre intérieur (ID) : 12 mm
✅ Diamètre extérieur (OD) : 35 mm
âś… Largeur : 15,9 mm
âś… Profondeur/Style des rainures : Rainure en U pour le guidage des rails
âś… Charge dynamique nominale (Cw) : 8,4 kN
âś… Charge statique (vache) : 5,0 kN
âś… Taille du paquet : 1 roulement
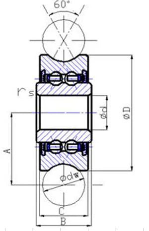
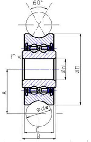
Tableau des dimensions :
Spec | Valeur |
---|---|
dw (ennuyeux) | 12 mm |
d (Diamètre de l’arbre) | 12 mm |
D (Diamètre extérieur) | 35 mm |
C / B (Largeur) | 15,9 mm |
Un | 21,75 mm |
rs (Rayon de filet) | 0,3 mm |
💡 À quoi servent les roulements à rainure en U dans les systèmes de guidage?
Les roulements à rainure en U sont conçus pour rouler le long de rails ronds ou de bords de guidage, offrant un mouvement à faible friction et maintenant les systèmes alignés. Ils sont largement utilisés dans les pistes linéaires pour l’automatisation, l’impression 3D et les plateformes pilotées par mouvement.
Quand vous avez besoin d’une conduite douce avec un bon soutien, ce roulement en U vous garde un roulement fidèle. Ajoute-le maintenant et glisse comme un pro!