







LFR5301KDD-10 12x42x19mm Rail à roulements à rouleaux à rainures en U
UPC : 00193019039571
Type : Roulement à rouleaux de chenille UGroove
Quantité : Un roulement
Charge nominale Cw : 13,2 KN
Charge nominale Vache : 7,7 KN
Palier à rouleaux à rail à rainure en U LFR5301KDD-10
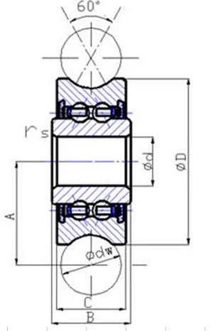
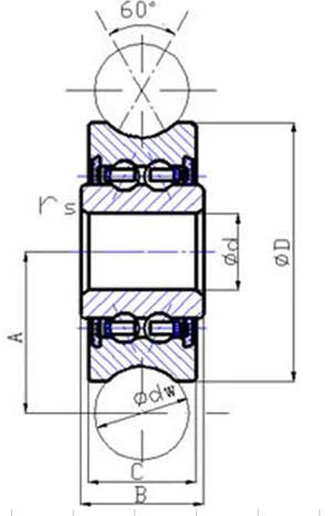
✔️ 12 mm de diamètre intérieur - 42 mm de diamètre extérieur - diamètre de rainure de 10 mm
Le LFR5301KDD-10 est un roulement à rouleaux de chenille à rainure en U conçu pour un mouvement fluide et guidé le long d’arbres ou de rails ronds. Avec un diamètre intérieur de 12 mm et un diamètre extérieur de 42 mm, il est doté d’une rainure en U de 10 mm pour un suivi de précision, ce qui le rend idéal pour les équipements d’automatisation, les systèmes coulissants et les assemblages à mouvement linéaire.
✅ Type : roulement à rouleaux de chenille à rainure en U
✅ Diamètre intérieur (dw) : 12 mm
✅ Diamètre de la rainure : 10 mm
✅ Diamètre extérieur (D) : 42 mm
✅ Largeur de rainure (C) : 19 mm
✅ Largeur du roulement (B) : 19 mm
✅ Largeur totale (A) : 24 mm
✅ Rayon (rs) : 0,6 mm
✅ Puissance de charge dynamique (Cw) : 13,2 kN
✅ Charge statique (Vache) : 7,7 kN
✅ Quantité : 1 roulement
💡 Qu’est-ce qui rend les roulements à rainure en U idéaux pour les systèmes de rails?
Les roulements à rainure en U roulent en douceur le long des rails ronds, offrant un mouvement linéaire guidé tout en supportant des charges radiales et axiales. Ils sont parfaits pour les systèmes compacts de contrôle de mouvement et l’automatisation industrielle.
Un choix fiable pour un suivi stable et à faible friction dans les configurations de rails guidés.