







VXB
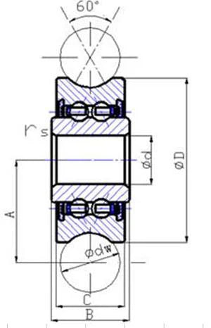
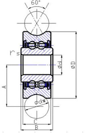
LFR5302KDD Roulement à roulements à rouleaux en U de 15x47x19 Rail à rainure en U
Titre
38,06 $ CAD 51,37 CADVous économisez 13,31 $ CAD
SKU : Kit9477
UPC : 00193019057353
UPC : 00193019057353
Article : LFR5302KDD Relèvement
Type : Roulement à rouleaux de chenille UGroove
Quantité : Un roulement
Charge nominale Cw : 14 500 N
Charge nominale Vache : 9 100 N
Type : Roulement à rouleaux de chenille UGroove
Quantité : Un roulement
Charge nominale Cw : 14 500 N
Charge nominale Vache : 9 100 N
LFR5302KDD 15mm Palier guide à rainure en U Un seul roulement |
LFR5302KDD roulement à rouleaux de rail rainuré de 15 mm de diamètre intérieur x 10 mm en U.
|