

VXB
TAFI8511526 Roulement à rouleaux à aiguilles 85x115x26 mm - Type usiné
Titre
239,84 $ CAD 323,79 CADVous économisez 83,95 $ CAD
SKU : TAFI8511526
UPC : 00193019330043
UPC : 00193019330043
Objet : TAFI8511526
Type : Palier à aiguilles usiné
Taille : 85 mm x 115 mm x 26 mm
Marque : VXB Bearing
Quantité : Un roulement
Type : Palier à aiguilles usiné
Taille : 85 mm x 115 mm x 26 mm
Marque : VXB Bearing
Quantité : Un roulement
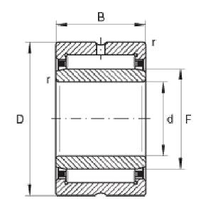
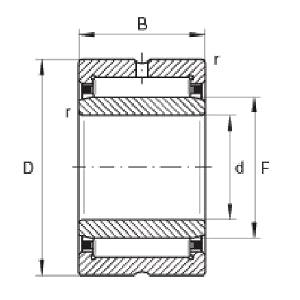
TAFI8511526 Palier à rouleaux à aiguilles usiné 85x115x26mm Avec l’anneau intérieur 85 mm x 115 mm x 26 mm Paliers VXB |
Roulement à aiguilles de type usiné TAFI8511526 sans bague intérieure. Le diamètre intérieur est de 85 mm, le diamètre extérieur de 115 mm, la largeur de 26 mm.
|
Dimensions (mm) | |||||||
---|---|---|---|---|---|---|---|
d | D | B | F | r(min) | |||
85 | 115 | 26 | 95 | 1 |