







VXB
UCFA205-14 Unité de cartouche à bride 7/8 roulement
Titre
51,38 $ CAD 69,36 CADvous économisez 17,98 $ CAD
SKU : Kit12338
UPC : 00193019074428
UPC : 00193019074428
Article : UCFA205-14 Roulement
Type : Unité de cartouche à bride
Charge de base (Cr) : 14 KN
Charge de base (cor) : 7,85 KN
Taille du verrou : 3/8
Type : Unité de cartouche à bride
Charge de base (Cr) : 14 KN
Charge de base (cor) : 7,85 KN
Taille du verrou : 3/8
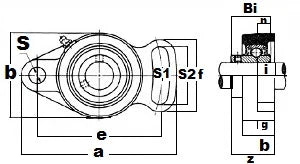
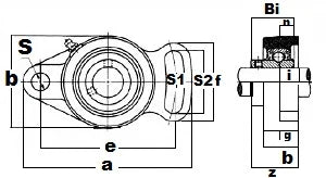
UCFA205-14 Unité de cartouches à bride Palier de diamètre intérieur 7/8" |
Unité de cartouche à bride UCFA205-14, le roulement est de type vis de réglage, le diamètre intérieur est de 7/8" de pouce.
|