


Plateau tournant commercial robuste 1 tonne, diamètre 20 pouces
UPC: 00193019002957
Size: 301mm x 520mm x 56mm
Bearing Inner Diameter: 301mm
Bearing Outer Diameter: 520mm
Roulement de plateau tournant ultra robuste 1 tonne - 20" de diamètre
✔️ 301mm x 520mm x 56mm - Format géant, déjà graissé
Ce roulement de plateau tournant est fait pour gérer du gros stock avec un mouvement super fluide. Parfait pour les grosses plateformes rotatives, tables industrielles ou la machinerie lourde, il a une construction à contact angulaire pis il supporte jusqu’à 1 tonne sans broncher. Déjà lubrifié, prêt à installer.
✅ Quantité: 1 gros roulement de plateau tournant
✅ Capacité de charge: 1 tonne
✅ Diamètre intérieur: 301mm
✅ Diamètre extérieur: 520mm
✅ Largeur: 56mm
✅ Type: Contact angulaire, design robuste
✅ Lubrification: Déjà graissé, prêt à l’emploi
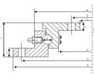
Dimensions détaillées (mm):
A | B | C | D | E | f | h | H | d |
---|---|---|---|---|---|---|---|---|
520 | 451 | 486 | 336 | 371 | 301 | 12 | 56 | 15.875 |
💡 Pourquoi les roulements à contact angulaire sont-ils parfaits pour les grosses charges?
Les roulements à contact angulaire gèrent les charges axiales et radiales, ce qui donne une rotation smooth même quand ça pèse lourd. C’est l’idéal pour les plateaux tournants, grues, pis plateformes qui ont besoin de stabilité pis de précision.
Quand ta job demande de la force pis que ça doit tourner sans accroc – ce roulement-là est fait pour toi. Pognes-en un pis garde ça qui roule fort!