


NB
SWF10 NB Douille à billes 5/8" pouce à bride ronde pour mouvement linéaire
Title
$163.69 CAD
$220.98 CADvous économisez $57.29 CAD
SKU: Kit8085
UPC: 00193019127162
UPC: 00193019127162
Item: SWF10 NB Bearing
Type: NB Linear Systems ball bushing
Shaft Diameter: 5/8" Inch
Dynamic load rating Cr: 774 N
Static load rating Cor: 1180 N
Type: NB Linear Systems ball bushing
Shaft Diameter: 5/8" Inch
Dynamic load rating Cr: 774 N
Static load rating Cor: 1180 N
SWF10 NB:Fait au Japon:NB Systèmes Linéaires Type à bride ronde Nippon Bearing Linear Systems |
Les bearings SWF10 NB 5/8" bore pour mouvement linéaire, le diamètre intérieur (bore) est de 5/8" pouce avec un retainer en acier, bearing de grade haute précision, série surtout utilisée aux States, marque NB (Nippon Bearing Linear Systems), fabriqué au Japon.
|
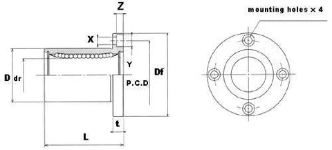
Dimensions (pouces) | ||||||||
---|---|---|---|---|---|---|---|---|
dr | D | L | Df | t | P.C.D. | X | Y | Z |
0.625 | 1.125 | 1.5 | 2 | 0.25 | 1.562 | 0.188 | 0.297 | 0.172 |