

VXB
Roulement 2" HCF211-32 avec boîtier à 4 boulons – monté sur bride, collier excentrique
Title
$256.97 CAD
$346.92 CADvous économisez $89.95 CAD
SKU: HCF211-32
UPC: 00193019199602
UPC: 00193019199602
Item: HCF211-32
Type: Flanged Mounted Bearing with Eccentric Collar
Bolt Size: 5/8" Inch
Basic Load Dynamic (Cr): 43,400 N
Basic Load Static (Cor): 29,400 N
Type: Flanged Mounted Bearing with Eccentric Collar
Bolt Size: 5/8" Inch
Basic Load Dynamic (Cr): 43,400 N
Basic Load Static (Cor): 29,400 N
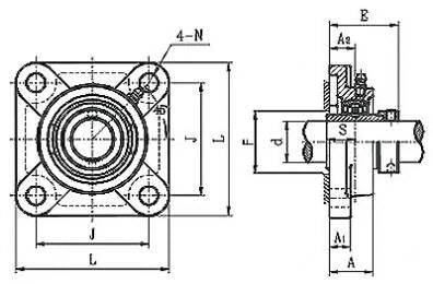
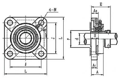
Unité à quatre boulons à bride HCF211-32 Type à vis de pression avec collier excentrique Diamètre intérieur de 2 pouces |
L’unité de bearing à bride quatre boulons HCF211-32 avec collier excentrique, c’est un bearing à vis de pression avec un diamètre intérieur de 2 pouces.
|
Dimensions (pouces) | |||||||||
---|---|---|---|---|---|---|---|---|---|
d | L | J | A2 | A1 | A | E | N | S | F min. |
2" | 6 3/8" | 5 1/8" | 1" | 23/32" | 1 11/16" | 2 23/32" | 23/32" | 1 3/32" | 2 13/16" |