

VXB
Roulement 3/4" HCFL204-12 avec boîtier à 2 boulons – montage à bride, blocage à collier excentrique
Title
$87.55 CAD
$118.19 CADvous économisez $30.64 CAD
SKU: HCFL204-12
UPC: 00193019200100
UPC: 00193019200100
Item: HCFL204-12 Bearing
Type: Flanged Mounted Bearing with Eccentric Collar lock
Bolt Size: 3/8" Inch
Dynamic Basic Load (Cr): 12,800 N
Static Basic Load (Cor): 6,650 N
Type: Flanged Mounted Bearing with Eccentric Collar lock
Bolt Size: 3/8" Inch
Dynamic Basic Load (Cr): 12,800 N
Static Basic Load (Cor): 6,650 N
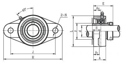
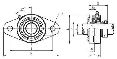
Bearing monté à bride HCFL204-12 avec bloc excentrique Diamètre intérieur de 3/4 po Un bearing |
HCFL204-12 bearing monté à bride avec bloc excentrique, a un diamètre intérieur de 3/4" pouce.
|
Dimensions (pouces) | ||||||||||
D | H | J | g | N | A | A1 | A2 | E | L | S |
3/4 " | 4-7/16" | 5/8" | 3-17/32" | 15/32" | 1-5/32" | 19/32" | 3/4" | 1-25/32" | 2-13/32" | 0.6693 " |