


VXB
FHP201-12mmG Coussin d’appui standard hauteur d’arbre 12mm Bearing
Title
$196.05 CAD
$264.66 CADvous économisez $68.61 CAD
SKU: Kit15736
UPC: 00193019223512
UPC: 00193019223512
Item: FHP201-12mmG Bearing
Type: Pillow Block Standard Shaft Height
Shaft Diameter: 12mm
Bolt Size: 3/8" inch
Bearing No: FH201-12mmG
Type: Pillow Block Standard Shaft Height
Shaft Diameter: 12mm
Bolt Size: 3/8" inch
Bearing No: FH201-12mmG
Cet item va être shippé dans la semaine Retours soumis à des frais de restockage de 15% |
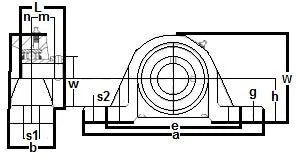
Roulement à billes FHP201-12mmG avec support en bloc, hauteur d’arbre standard Collier excentrique de blocage Diamètre intérieur 12mm |
Roulement à billes FHP201-12mmG avec support en bloc, hauteur d’arbre standard. Le boîtier est solide, la bague intérieure est étroite, pis c’est un modèle qui se graisse pas. Le joint standard, c’est un RST bien serré, full couvert, avec des joints en métal.
|