


FHP210-29G bloc-pillow hauteur d’arbre standard 1 13/16 roulement
UPC: 00193019223673
Type: Pillow Block Standard Shaft Height
Shaft Diameter: 1 13/16" inch
Bolt Size: 5/8" inch
Bearing No: FH210-29G
Roulement à palier FHP210-29G - Hauteur d'arbre standard
✔️ 1 13/16" ID - Collier excentrique de blocage
Le roulement à palier FHP210-29G a un boîtier solide avec pied plein, une bague intérieure étroite pis un collier excentrique pour bien barrer l'arbre. Ce modèle-là, tu peux pas le regraisser, pis il vient avec des joints RST en métal qui couvrent au complet pour protéger au max dans les environnements tough. Emballage : 1 roulement.
✅ Diamètre d'arbre : 1 13/16"
✅ Taille du boulon : 5/8"
✅ No de roulement : FH210-29G
✅ No de boîtier : P-210-HT
✅ Design pas graissable à nouveau
✅ Boîtier solide avec pied plein
✅ Équipé de joints d'étanchéité en métal RST
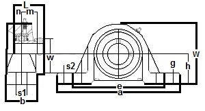
Dimensions (pouces)
h | a | e | b | s1 | s2 | g | w | L | n | m | W |
---|---|---|---|---|---|---|---|---|---|---|---|
2-1/4" | 8-1/8" | 6-1/4" | 2-3/16" | 25/32" | 7/8" | 3/4" | 4-9/16" | 1-23/32" | 0-7/16" | 3/4" | 2-3/4" |
💡 Pourquoi pogner un bearing à collet excentrique en bloc-pillow?
Ça donne une connexion d’arbre ben fiable, même quand ça shake ou que ça bouge.
-
Se verrouille solide, pas besoin d’autre patente.
-
Rend l’installation pis l’enlèvement ben plus simple.
-
Gère mieux le désalignement que les montages rigides.
-
Allonge la vie du bearing pis de l’arbre même quand ça force.
Si tu veux un bearing tough, pas compliqué à entretenir pis qui reste en place, celui-là c’est un bon pick. Commande-le aujourd’hui pis garde ta machinerie smooth.