VXB

FHPWC205-25mm bloc coussin en fonte avec roulement 25mm

 
$118.00 CAD $159.30 CADvous économisez $41.30 CAD
SKU: Kit16111
UPC: 00193019225684
Item: FHPWC205-25mm Bearing
Type: Pillow Block Cast Iron Light Duty
Shaft Diameter: 25mm
Bolt Size: 1/2" inch
Bearing No: FH205-16
 
Cet item va être shippé dans une semaine
Retours soumis à des frais de restockage de 15%


Roulement à billes pillow block FHPWC205-25mm en fonte, modèle léger
Collier de blocage excentrique
Diamètre intérieur 25mm


Roulement à billes pillow block FHPWC205-25mm en fonte, modèle léger, avec collier excentrique de blocage, boîtier à pied plein, bague intérieure étroite, unité non regraissable, joint standard RST étanche, couvercle complet avec pare-poussière en métal.

  • Roulement FHPWC205-25mm
  • Pillow block en fonte, modèle léger
  • Diamètre d'arbre : 25mm
  • Taille du boulon : 1/2" pouce
  • No de roulement : FH205-16
  • No de boîtier : PWC-205-HA
  • Quantité : 1 roulement
  • Roulement à billes


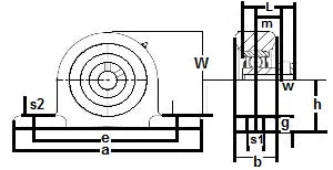
Dimensions (mm)
h a e b s1 s2 g w L n m i W
36.51 130.2 100 29.4 11.1 15.9 12.7 70.6 31 7.5 14 9.5 38.1