FYH

FYH UCFC215-47 2 15/16 palier à bride ronde monté

 
$690.97 CAD $932.81 CADvous économisez $241.84 CAD
SKU: Kit11471
UPC: 00193019077504
Item: UCFC215-47 Bearing
Type: Round Flanged Bearing
Basic Load (Cr): 67.4 KN
Basic Load (Cor): 48.3 KN
Bolt Size: 5/8
 
Roulement UCFC215-47 FYH
Roulement monté à bride ronde
Alésage cylindrique (avec vis de pression)
Roulement à alésage intérieur de 2-15/16 po


Cette unité de palier à cartouche avec quatre boulons a une cartouche ronde en arrière de la bride, ce qui te permet de l’installer ben droit pis de l’aligner comme du monde. Tu vas voir ça souvent sur des tambours rotatifs, des rouleaux qui tournent ou n’importe où que t’as besoin que ça soit monté ben précis.

  • Roulement UCFC215-47
  • Roulement à bride ronde
  • Charge de base (Cr) : 67,4 KN
  • Charge de base (Cor) : 48,3 KN
  • Taille du boulon : 5/8"
  • No de roulement : UC215-47
  • Quantité : Un roulement


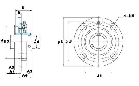
Dimensions (pouces)
d L H3 J J1 N A1 A2 A3 A4 B S
2-15/16" 8-21/32" 6.3" 7-1/4" 5-1/8" 3/4" 1-9/16" 45/64" 5/8" 2-15/32" 3.063" 1.331"