


VXB
Insert de roulement GER205-14 GRIP-IT 360 degrés 7/8
Title
$228.41 CAD
$308.34 CADvous économisez $79.93 CAD
SKU: Kit19310
UPC: 00193019270776
UPC: 00193019270776
Item: GER205-14 Bearing
Type: Bearing Insert
Shaft Diameter: 7/8" Inch
Dynamic Load Rating: 14011 N
Static Load Rating: 7162 N
Type: Bearing Insert
Shaft Diameter: 7/8" Inch
Dynamic Load Rating: 14011 N
Static Load Rating: 7162 N
Cet item va être shippé dans une semaine Retours soumis à des frais de restockage de 15 % |
Insert de bearing GER205-14 GRIP-IT blocage à 360 degrés Blocage à vis de pression Diamètre intérieur 7/8 po |
Insert de bearing GER205-14 GRIP-IT avec blocage à 360 degrés, bearing capacité de charge standard, large bague intérieure avec bague extérieure cylindrique pis snap ring, bearing avec rainure de relubrification pis trou d’huile du côté opposé au collier de blocage, bearing avec bagues intérieure et extérieure plaquées en oxyde noir, bearing avec vis de pression classe 3A avec patch en nylon, le seal standard c’est un R-seal.
|
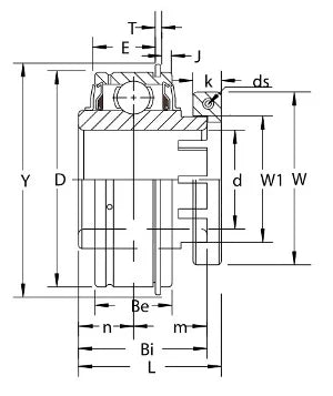
Dimensions (pouces) | |||||||||||||
---|---|---|---|---|---|---|---|---|---|---|---|---|---|
D | Bi | Be | L | n | m | E | W1 | J | T | Y | K | W | ds (filetage UNF) |
2-3/64" | 1-7/32" | 3/4" | 1-1/2" | 9/16" | 51/64" | 39/64" | 1-21/64" | 7/64" | 3/64" | 2-9/32" | 3/8" | 1-15/16" | 8-32x5/8 |