VXB
Insert de roulement GER206-20 GRIP-IT 360 degrés 1 1/4
Title
$277.90 CAD
$375.16 CADvous économisez $97.26 CAD
SKU: Kit19316
UPC: 00193019270837
UPC: 00193019270837
Item: GER206-20 Bearing
Type: Bearing Insert
Shaft Diameter: 1 1/4" Inch
Dynamic Load Rating: 19440 N
Static Load Rating: 10320 N
Type: Bearing Insert
Shaft Diameter: 1 1/4" Inch
Dynamic Load Rating: 19440 N
Static Load Rating: 10320 N
| Cet item va être shippé dans une semaine Retours sujets à des frais de restockage de 15 % |
|
Insert de bearing GER206-20 GRIP-IT avec blocage à 360 degrés Blocage à vis de pression Diamètre intérieur 1 1/4 po |
Insert de bearing GER206-20 GRIP-IT avec blocage à 360 degrés, bearing à capacité de charge standard, bague intérieure large avec bague extérieure cylindrique pis snap ring, bearing avec rainure de relubrification pis trou d’huile du côté opposé au collier de blocage, bagues intérieure et extérieure plaquées à l’oxyde noir, vis de pression classe 3A avec patch en nylon, pis le seal standard c’est un R-seal.
|
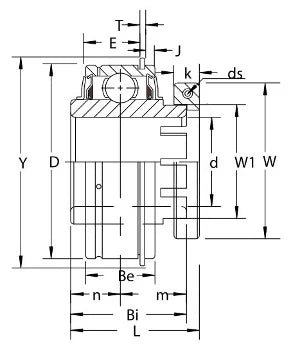
| Dimensions (pouces) | |||||||||||||
|---|---|---|---|---|---|---|---|---|---|---|---|---|---|
| D | Bi | Be | L | n | m | E | W1 | J | T | Y | K | W | ds (filet UNF) |
| 2-7/16" | 1-1/2" | 7/8" | 1-7/8" | 5/8" | 7/8" | 43/64" | 1-9/16" | 1/8" | 5/64" | 2-43/64" | 3/8" | 2-3/16" | 8-32x5/8 |