VXB
Insert GER206-30mm GRIP-IT 360 Degrés Roulement 30mm
Title
$275.99 CAD
$372.58 CADvous économisez $96.59 CAD
SKU: Kit19338
UPC: 00193019271056
UPC: 00193019271056
Item: GER206-30mm Bearing
Type: Bearing Insert
Shaft Diameter: 30mm
Dynamic Load Rating: 19440 N
Static Load Rating: 10320 N
Type: Bearing Insert
Shaft Diameter: 30mm
Dynamic Load Rating: 19440 N
Static Load Rating: 10320 N
| Cet item va être shippé dans une semaine Retours sujets à des frais de restockage de 15% |
|
Insert de bearing GER206-30mm GRIP-IT verrouillage 360 degrés Verrouillage à vis de pression Diamètre intérieur 30mm |
Insert de bearing GER206-30mm GRIP-IT verrouillage 360 degrés, bearing avec capacité de charge standard, bague intérieure large avec bague extérieure cylindrique pis snap ring, bearing avec rainure de relubrification pis trou d’huile du côté opposé du collier de blocage, bagues intérieure et extérieure plaquées oxyde noir, vis de pression avec patch nylon classe 3A, le seal standard c’est un R-seal.
|
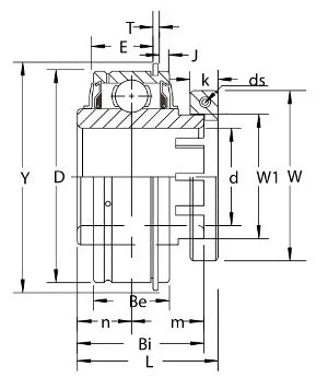
| Dimensions (mm) | |||||||||||||
|---|---|---|---|---|---|---|---|---|---|---|---|---|---|
| D | Bi | Be | L | n | m | E | W1 | J | T | Y | K | W | ds (filetage UNF) |
| 62 | 38.1 | 22.2 | 41.9 | 15.9 | 22.2 | 17 | 39.8 | 3.28 | 1.9 | 67.7 | 9.3 | 55.5 | 8-32X5/8 |