


VXB
Insert GER209-45mm GRIP-IT 360 degrés Roulement 45mm
Title
$489.19 CAD
$660.39 CADvous économisez $171.20 CAD
SKU: Kit19341
UPC: 00193019271087
UPC: 00193019271087
Item: GER209-45mm Bearing
Type: Bearing Insert
Shaft Diameter: 45mm
Dynamic Load Rating: 32694 N
Static Load Rating: 18460 N
Type: Bearing Insert
Shaft Diameter: 45mm
Dynamic Load Rating: 32694 N
Static Load Rating: 18460 N
Cet item va être shippé dans une semaine Retours soumis à des frais de restockage de 15% |
Insert de bearing GER209-45mm GRIP-IT verrouillage 360 degrés Verrouillage à vis de pression Diamètre intérieur 45mm |
Insert de bearing GER209-45mm GRIP-IT verrouillage 360 degrés, bearing avec capacité de charge standard, bague intérieure large avec bague extérieure cylindrique pis snap ring, bearing avec rainure de relubrification pis trou d’huile du côté opposé du collier de blocage, bearing avec bagues intérieure pis extérieure plaquées en oxyde noir, vis de pression classe 3A avec patch en nylon, le seal standard c’est un R-seal.
|
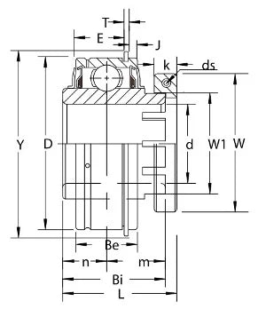
Dimensions (mm) | |||||||||||||
---|---|---|---|---|---|---|---|---|---|---|---|---|---|
D | Bi | Be | L | n | m | E | W1 | J | T | Y | K | W | ds (filet UNF) |
85 | 49.2 | 27.8 | 53.9 | 19 | 30.2 | 22.6 | 57.3 | 3.28 | 1.9 | 91.6 | 11.5 | 75.5 | 10-24x3/4 |