


VXB
Insert GRIP-IT 360 degrés 2-1/4" Bearing GER212-36
Title
$984.10 CAD
$1,328.52 CADvous économisez $344.42 CAD
SKU: Kit19332
UPC: 00193019270998
UPC: 00193019270998
Item: GER212-36 Bearing
Type: Bearing Insert
Shaft Diameter: 2 1/4" Inch
Dynamic Load Rating: 52400 N
Static Load Rating: 32250 N
Type: Bearing Insert
Shaft Diameter: 2 1/4" Inch
Dynamic Load Rating: 52400 N
Static Load Rating: 32250 N
Cet item va être shippé dans une semaine Retours soumis à des frais de restockage de 15 % |
Insert de bearing GER212-36 GRIP-IT avec blocage à 360 degrés Blocage à vis de pression Diamètre intérieur 2 1/4 po |
Insert de bearing GER212-36 GRIP-IT avec blocage à 360 degrés, bearing à capacité de charge standard, bague intérieure large avec bague extérieure cylindrique pis snap ring, bearing avec rainure de relubrification pis trou d’huile du côté opposé du collier de blocage, bagues intérieure et extérieure plaquées à l’oxyde noir, vis de pression classe 3A avec patch en nylon, le seal standard c’est un R-seal.
|
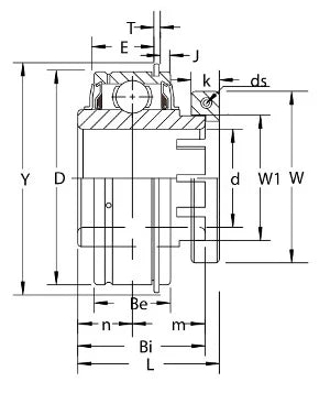
Dimensions (pouces) | |||||||||||||
---|---|---|---|---|---|---|---|---|---|---|---|---|---|
D | Bi | Be | L | n | m | E | W1 | J | T | Y | K | W | ds (filet UNF) |
4-21/64" | 2-9/16" | 1-1/4" | 2-55/64" | 1" | 1-9/16" | 1-1/64" | 3-1/32" | 1/8" | 3/64" | 4-13/64" | 45/64" | 4-3/64" | 5/16-18x1 |