VXB
Insert GRIP-IT 360 degrés 2 5/16" pouce roulement GER212-37
Title
$1,024.07 CAD
$1,382.49 CADvous économisez $358.42 CAD
SKU: Kit19333
UPC: 00193019271001
UPC: 00193019271001
Item: GER212-37 Bearing
Type: Bearing Insert
Shaft Diameter: 2 5/16" Inch
Dynamic Load Rating: 52400 N
Static Load Rating: 32250 N
Type: Bearing Insert
Shaft Diameter: 2 5/16" Inch
Dynamic Load Rating: 52400 N
Static Load Rating: 32250 N
| Cet item va être shippé dans une semaine Retours soumis à des frais de restock de 15% |
|
Insert de bearing GER212-37 GRIP-IT avec blocage 360 degrés Blocage à vis de pression Diamètre intérieur 2 5/16 po |
Insert de bearing GER212-37 GRIP-IT avec blocage 360 degrés, bearing à capacité de charge standard, bague intérieure large avec bague extérieure cylindrique pis snap ring, groove de relubrification avec trou d’huile du côté opposé au collier de blocage, bagues intérieure et extérieure plaquées à l’oxyde noir, vis de pression classe 3A avec patch en nylon, pis le seal standard c’est un R-seal.
|
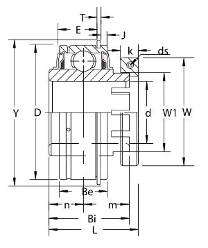
| Dimensions (pouces) | |||||||||||||
|---|---|---|---|---|---|---|---|---|---|---|---|---|---|
| D | Bi | Be | L | n | m | E | W1 | J | T | Y | K | W | ds (filet UNF) |
| 4-21/64" | 2-9/16" | 1-1/4" | 2-55/64" | 1" | 1-9/16" | 1-1/64" | 3-1/32" | 1/8" | 3/64" | 4-13/64" | 45/64" | 4-3/64" | 5/16-18x1 |