VXB
Insert GRIP-IT 360 degrés 60mm GER212-60mm Bearing
Title
$980.29 CAD
$1,323.38 CADvous économisez $343.09 CAD
SKU: Kit19344
UPC: 00193019271117
UPC: 00193019271117
Item: GER212-60mm Bearing
Type: Bearing Insert
Shaft Diameter: 60mm
Dynamic Load Rating: 52400 N
Static Load Rating: 32250 N
Type: Bearing Insert
Shaft Diameter: 60mm
Dynamic Load Rating: 52400 N
Static Load Rating: 32250 N
| Cet item va être shippé dans la semaine Retours sujets à des frais de restock de 15% |
|
Insert de bearing GER212-60mm GRIP-IT verrouillage 360 degrés Verrouillage à vis de pression Diamètre intérieur 60mm |
Insert de bearing GER212-60mm GRIP-IT verrouillage 360 degrés, bearing capacité de charge standard, bearing avec bague intérieure large, bague extérieure cylindrique pis snap ring, bearing avec rainure de relubrification pis trou d’huile de l’autre bord du collier de blocage, bearing avec bagues intérieure pis extérieure plaquées oxyde noir, bearing avec vis de pression classe 3A patchée nylon, le seal standard c’est un R-seal.
|
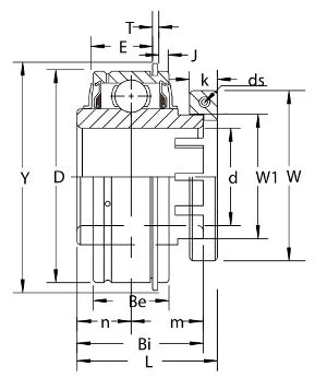
| Dimensions (mm) | |||||||||||||
|---|---|---|---|---|---|---|---|---|---|---|---|---|---|
| D | Bi | Be | L | n | m | E | W1 | J | T | Y | K | W | ds (filet UNF) |
| 110 | 65.1 | 31.8 | 72.3 | 25.4 | 39.7 | 25.8 | 77 | 3.28 | 2.7 | 116.6 | 17.5 | 103 | 5/16-18x1 |