VXB
Insert de roulement HC211-33 - Collier excentrique 2 1/16" monté
Title
$188.43 CAD
$254.38 CADvous économisez $65.95 CAD
SKU: Kit19064
UPC: 00193019268384
UPC: 00193019268384
Item: HC211-33 Bearing
Type: Bearing Insert with Eccentric Collar
Shaft Diameter: 2 1/16" Inch
Dynamic Load Rating: 32695 N
Static Load Rating: 18460 N
Type: Bearing Insert with Eccentric Collar
Shaft Diameter: 2 1/16" Inch
Dynamic Load Rating: 32695 N
Static Load Rating: 18460 N
|
Insert de roulement HC211-33 Collier excentrique de blocage Diamètre intérieur 2 1/16 po |
Insert de roulement HC211-33, c’est un roulement standard pour la charge, avec une bague intérieure large pis une bague extérieure sphérique. Y’a une rainure de relubrification avec un trou d’huile du bord du set screw, pis un autre trou d’huile de l’autre bord, fait que ça fitte avec toutes les marques. Le set screw est de classe 3A avec patch en nylon. Le seal standard, c’est un R-Seal.
|
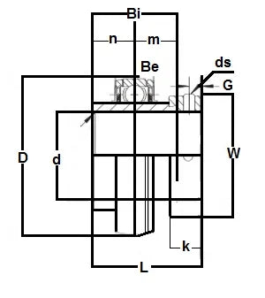
| Dimensions (pouces) | ||||||||||
|---|---|---|---|---|---|---|---|---|---|---|
| D | L | Bi | Be | r | n | m | W | K | G | ds (filet UNF) |
| 3-15/16" | 2-13/16" | 2-3/16" | 63/64" | 0.098" | 1-7/64" | 1-7/64" | 3" | 13/16" | 0.315" | 7/16-20x7/16 |