

vendor-unknown
Support robuste à coussinet UCP312 alésage 60mm
Title
$325.48 CAD
$439.40 CADvous économisez $113.92 CAD
SKU: UCP312
UPC: 0
UPC: 0
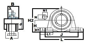
Item: UCP312 Bearing
Type: Heavy Duty Pillow Block
Bore: 60mm
Bearing No.: UC312
Bolt Size: M20
Type: Heavy Duty Pillow Block
Bore: 60mm
Bearing No.: UC312
Bolt Size: M20
Bloc à pattes UCP312 heavy duty Roulement à pattes (pillow block) Alésage cylindrique (avec vis de pression) Diamètre intérieur 60 mm |
C’est le modèle le plus populaire de bloc de roulement heavy duty. La nervure en dessous du boîtier rend ça ben solide, capable de prendre des grosses charges de n’importe quel bord. Les blocs montés heavy duty avec boîtier en acier coulé sont aussi dispo dans cette série-là , parfaits pour les jobs avec des charges intenses pis des chocs. Les modèles à alésage conique se vendent à l’unité, pis les adaptateurs sont vendus à part.
|