


VXB
ZUCPAS201-12m-PBT Base taraudée plaquée zinc Palier monté 12mm
Title
$251.25 CAD
$339.18 CADvous économisez $87.93 CAD
SKU: Kit15056
UPC: 00193019218662
UPC: 00193019218662
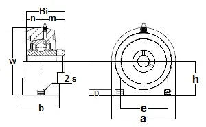
Item: ZUCPAS202-12m-PBT Bearing
Type: Thermoplastic Zinc Chromate Plated Tapped Base Pillow Block Bearing
Shaft Diameter: 12mm
Bolt Size: 3/8" inch
Bearing No: ZUC202-12mm
Type: Thermoplastic Zinc Chromate Plated Tapped Base Pillow Block Bearing
Shaft Diameter: 12mm
Bolt Size: 3/8" inch
Bearing No: ZUC202-12mm
On va t'envoyer ça dans une semaine Retours soumis à des frais de restockage de 15% |
Bloc-appui à base taraudée en thermoplastique PBT ZUCPAS202-12m Insert plaqué zinc chromate 12mm de diamètre intérieur |
Bearing à billes ZUCPAS202-12m-PBT, base taraudée en thermoplastique, insert plaqué zinc chromate, boîtier solide, bague intérieure large avec vis de pression, bearing relubrifiable avec pin anti-rotation, fourni avec de la graisse mobil résistante à l'eau pis au lavage.
|