


VXB
ZUCPAS202-9-PBT Base taraudée plaquée au chromate de zinc 9/16 Palier monté
Title
$291.22 CAD
$393.14 CADvous économisez $101.92 CAD
SKU: Kit15057
UPC: 00193019218679
UPC: 00193019218679
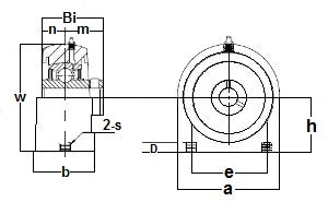
Item: ZUCPAS202-9-PBT Bearing
Type: Thermoplastic Zinc Chromate Plated Tapped Base Pillow Block
Shaft Diameter: 9/16" inch
Bolt Size: 3/8" inch
Bearing No: ZUC202-9
Type: Thermoplastic Zinc Chromate Plated Tapped Base Pillow Block
Shaft Diameter: 9/16" inch
Bolt Size: 3/8" inch
Bearing No: ZUC202-9
On va t'envoyer ça d'ici une semaine Retours soumis à des frais de restockage de 15% |
Bloc-appui à base taraudée en thermoplastique ZUCPAS202-9-PBT Insert plaqué zinc chromate Diamètre intérieur 9/16 po |
Bearing à billes ZUCPAS202-9-PBT, pillow block à base taraudée en thermoplastique, insert plaqué zinc chromate, base solide, bague intérieure large avec vis de pression, unité relubrifiable avec pin anti-rotation, fourni avec de la graisse mobil résistante à l'eau pis au lavage.
|