


VXB
ZUCPAS206-19-PBT Base taraudée plaquée zinc 1 3/16 Roulement monté
Title
$430.18 CAD
$580.74 CADvous économisez $150.56 CAD
SKU: Kit15069
UPC: 00193019218785
UPC: 00193019218785
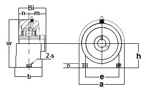
Item: ZUCPAS206-19-PBT Bearing
Type: Thermoplastic Zinc Chromate Plated Tapped Base Pillow Block Bearing
Shaft Diameter: 1 3/16" inch
Bolt Size: 7/16" inch
Bearing No: ZUC206-19
Type: Thermoplastic Zinc Chromate Plated Tapped Base Pillow Block Bearing
Shaft Diameter: 1 3/16" inch
Bolt Size: 7/16" inch
Bearing No: ZUC206-19
On t'envoie ça dans une semaine Retours soumis à des frais de restockage de 15% |
Bloc-appui à base taraudée thermoplastique ZUCPAS206-19-PBT Insert plaqué zinc chromate Diamètre intérieur 1 3/16 po Roulement à billes |
Roulement à billes ZUCPAS206-19-PBT à base taraudée en thermoplastique, insert plaqué zinc chromate, boîtier solide, bague intérieure large avec vis de pression, unité relubrifiable avec pin anti-rotation, fourni avec graisse Mobil résistante à l’eau pis au lavage.
|