


VXB
ZUCPAS206-20-PBT Base taraudée plaquée zinc 1 1/4 Palier monté
Title
$430.18 CAD
$580.74 CADvous économisez $150.56 CAD
SKU: Kit15070
UPC: 00193019218792
UPC: 00193019218792
Item: ZUCPAS206-20-PBT Bearing
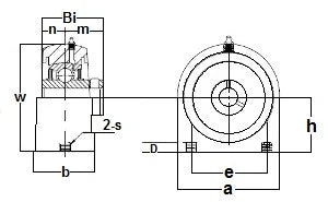
Type: Thermoplastic Zinc Chromate Plated Tapped Base Pillow Block Bearing
Shaft Diameter: 1 1/4" inch
Bolt Size: 7/16" inch
Bearing No: ZUC206-20
Type: Thermoplastic Zinc Chromate Plated Tapped Base Pillow Block Bearing
Shaft Diameter: 1 1/4" inch
Bolt Size: 7/16" inch
Bearing No: ZUC206-20
Cet item va être shippé dans la semaine Retours soumis à des frais de restockage de 15 % |
Palier à semelle thermoplastique ZUCPAS206-20-PBT avec base taraudée Insert plaqué zinc chromate Diamètre intérieur 1 1/4 po Roulement à billes |
Roulement à billes à coussinet de base taraudée ZUCPAS206-20-PBT en thermoplastique, insert plaqué zinc chromate, boîtier solide, bague intérieure large avec vis de pression, unité relubrifiable avec goupille anti-rotation, fourni avec graisse Mobil résistante à l’eau pis au lavage.
|