VXB

ZUCPAS207-20-PBT Base taraudée plaquée zinc 1 1/4 Palier monté

 
$519.64 CAD $701.50 CADvous économisez $181.86 CAD
SKU: Kit15072
UPC: 00193019218815
Item: ZUCPAS207-20-PBT Bearing
Type: Thermoplastic Zinc Chromate Plated Tapped Base Pillow Block
Shaft Diameter: 1 1/4" inch
Bolt Size: 1/2" inch
Bearing No: ZUC207-20
 
On t'envoie ça dans une semaine
Retours soumis à des frais de restockage de 15%


Bloc-appui à base taraudée en thermoplastique ZUCPAS207-20-PBT
Insert plaqué zinc chromate
Diamètre intérieur 1 1/4 po
Roulement à billes


Roulement à billes pillow block à base taraudée ZUCPAS207-20-PBT en thermoplastique, insert plaqué zinc chromate, base du boîtier solide, bague intérieure large avec vis de pression, unité relubrifiable avec goupille anti-rotation, fourni avec de la graisse Mobil résistante à l’eau pis au lavage.

  • Roulement ZUCPAS207-20-PBT
  • Pillow block à base taraudée en thermoplastique, plaqué zinc chromate
  • Diamètre d’arbre : 1 1/4 po
  • Taille du boulon : 1/2 po
  • No de roulement : ZUC207-20
  • No de boîtier : PAS-207-HT-PBT
  • Quantité : 1 roulement
  • Roulement à billes


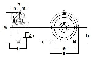
Dimensions (pouces)
h a e b S UNC w D Bi n m
1-7/8" 4-3/8" 3-1/4" 1-7/8" 1/2-13 3-13/32" 5/8" 1-11/16" 11/16"" 1"