


VXB
ZUCPAS207-22-PBT Base taraudée plaquée zinc 1 3/8 Palier monté
Title
$519.64 CAD
$701.50 CADvous économisez $181.86 CAD
SKU: Kit15074
UPC: 00193019218839
UPC: 00193019218839
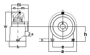
Item: ZUCPAS207-22-PBT Bearing
Type: Thermoplastic Zinc Chromate Plated Tapped Base Pillow Block
Shaft Diameter: 1 3/8" inch
Bolt Size: 1/2" inch
Bearing No: ZUC207-22
Type: Thermoplastic Zinc Chromate Plated Tapped Base Pillow Block
Shaft Diameter: 1 3/8" inch
Bolt Size: 1/2" inch
Bearing No: ZUC207-22
Cet item va être shippé dans la semaine Retours soumis à des frais de restockage de 15% |
Bloc-appui à base taraudée en thermoplastique ZUCPAS207-22-PBT Insert plaqué zinc chromate Diamètre intérieur 1 3/8 po Roulement à billes |
Roulement à billes pillow block ZUCPAS207-22-PBT à base taraudée en thermoplastique, insert plaqué zinc chromate, base du boîtier solide, bague intérieure large avec vis de pression, unité relubrifiable avec goupille anti-rotation, fourni avec de la graisse Mobil résistante à l’eau pis au lavage.
|