



FYH
Roulement FYH UCF307 35mm à bride carrée
Title
$260.77 CAD
$352.02 CADvous économisez $91.25 CAD
SKU: Kit11552
UPC: 00193019078280
UPC: 00193019078280
Item: UCF307 FYH Ball Bearing
Type: Mounted FYH Ball Bearing
Bolt Size: M16
Bearing Inner Diameter: 35mm
Bearing No: UC307
Type: Mounted FYH Ball Bearing
Bolt Size: M16
Bearing Inner Diameter: 35mm
Bearing No: UC307
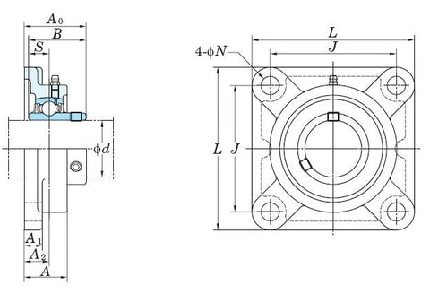
Roulement FYH UCF307 à bride carrée Alésage cylindrique (avec vis de pression) Roulement avec diamètre intérieur de 35mm |
Cette unité de palier à quatre boulons super robuste a une cartouche ronde à l’arrière de la bride, ça permet un montage pis un alignement ben précis. Applications : tambour rotatif, rouleau rotatif, quand t’as besoin que ça soit monté ben d’équerre.
|
Dimensions (mm) | |||||||||||||
---|---|---|---|---|---|---|---|---|---|---|---|---|---|
d | L | A | J | N | A1 | A2 | A0 | B | S | ||||
35 | 135 | 36 | 100 | 19 | 16 | 20 | 49 | 48 | 19 |