FYH

FYH UCFC-206-20 1 1/4 palier rond à bride monté

 
$150.36 CAD $202.98 CADvous économisez $52.62 CAD
SKU: Kit17086
UPC: 00193019081525
Item: UCFC-206-20 Bearing
Type: Round Flanged Bearing
Basic Load (Cr): 19.5 KN
Basic Load (Cor): 11.3 KN
Bolt Size: 3/8
 
Roulement FYH UCFC-206-20
Roulement monté à bride ronde
Alésage cylindrique (avec vis de pression)
Roulement avec un diamètre intérieur de 1-1/4 po




Cette unité de palier à cartouche avec quatre boulons a une cartouche ronde en arrière de la bride, ce qui te permet de l’installer ben précis pis de bien aligner ça. Tu vas voir ça souvent sur des tambours rotatifs, des rouleaux qui tournent ou n’importe où que t’as besoin que ça fitte au quart de tour.

  • Roulement UCFC-206-20
  • Roulement à bride ronde
  • Charge de base (Cr) : 19,5 KN
  • Charge de base (Cor) : 11,3 KN
  • Taille du boulon : 3/8"
  • No de roulement : UC206-20
  • Quantité : Un roulement


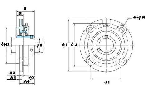
Dimensions (pouces)
d L H3 J J1 N A1 A2 A3 A4 B S
1-1/4" 4-29/32" 3.15" 3-15/16" 2-25/32" 15/32" 29/32" 25/64" 5/16" 1-9/32" 1.5" 0.63"