

FYH
HCF204 Square Flanged Bearing - Eccentric Collar 20mm Inner Diameter
Title
$87.55 CAD
$118.19 CADvous économisez $30.64 CAD
SKU: HCF204
UPC: 00193019075494
UPC: 00193019075494
Item: HCF204 Bearing
Type: Four Bolt Flanged Bearing with Eccentric Collar
Bolt Size: M10
Basic Load (Cr): 12.8 KN
Basic Load (Cor): 6.65 KN
Type: Four Bolt Flanged Bearing with Eccentric Collar
Bolt Size: M10
Basic Load (Cr): 12.8 KN
Basic Load (Cor): 6.65 KN
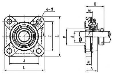
HCF204 Bearing Square Flanged Mounted Bearing with Eccentric Collar 20mm Inner Diameter |
This heavy duty four-bolt flange unit has a round cartridge on the backside of the flange which allows for precise mounting and alignment. Applications include rotating drum, rotating roller and any application requiring precise mounting accuracy.
|
Dimensions (mm) | |||||||||
---|---|---|---|---|---|---|---|---|---|
d | L | A | J | N | A1 | A2 | A0 | B | S |
20mm | 86 | 25.5 | 64 | 12 | 11 | 15 | 33.3 | 31 | 12.7 |