


VXB
Bloc de palier à glissière SC25UU 25mm
Title
$57.09 CAD
$77.07 CADvous économisez $19.98 CAD
SKU: SC25UU
UPC: 00193019023013
UPC: 00193019023013
Bloc coussin glissant SC25UU Unité glissante avec bearing 25mm déjà installé À utiliser avec des arbres de 25 mm |
Bloc coussin glissant 25mm (série en pouces), diamètre intérieur (alésage) de 25mm avec retenue en acier, le bearing est une douille linéaire de haute précision.
|
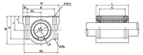
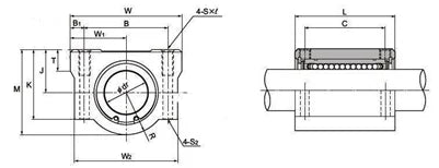
Dimensions (mm) | ||||||||||||||||
---|---|---|---|---|---|---|---|---|---|---|---|---|---|---|---|---|
No de modèle | M | W | L | B | B1 | C | Sxl | S2 | J | W1 | K | W2 | T | R | Alésage | Douille |
SC25UU | 51.5 | 76 | 67 | 54 | 11 | 50 | M8x18 | M6 | 26 | 38 | 41 | 68 | 12 | 25.5 | 25 | LM25UU |