


Roulement FYH UCP214-44 2-3/4" po - palier à semelle
UPC: 00193019076408
Type: Mounted Ball Bearing
Shaft Dia: 2 3/4" inch
Bolt Size: 3/4" inch
Bearing No: UC214-44
UCP214-44 FYH Pillow Block - Roulement à semelle 2-3/4" d’arbre
✔️ Unité montée heavy-duty - Blocage à vis - Boîtier en fonte
Le UCP214-44 de FYH, c’est un pillow block tough fait pour supporter des arbres de 2-3/4" dans des jobs industriels. Avec sa base en fonte renforcée, son système de blocage à vis et sa grosse capacité de charge, c’est parfait pour les convoyeurs, la manutention ou n’importe quel système mécanique qui brasse ou qui travaille fort. Ce kit-là vient avec une unité de roulement complète.
✅ Type de roulement : unité à semelle (pillow block)
✅ Modèle : UCP214-44
✅ Diamètre d’arbre : 2-3/4" (2.75")
✅ Type d’alésage : cylindrique avec vis de pression
✅ Numéro de roulement : UC214-44
✅ Boîtier : fonte ben solide
✅ Taille des bolts : 3/4 po
✅ Charge dynamique (Cr) : 62,2 kN
✅ Charge statique (Cor) : 44,1 kN
✅ Quantité : 1 unité de bearing
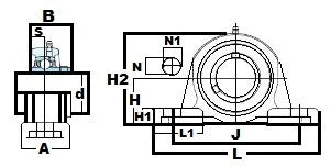
Dimensions (pouces) :
d | H | L | A | J | N | N1 | H1 | H2 | L1 | B | S |
---|---|---|---|---|---|---|---|---|---|---|---|
2-3/4" | 3-1/8" | 10-15/32" | 2-27/32" | 8-9/32" | 31/32" | 1-3/16" | 1-3/32" | 6-5/32" | 3-1/16" | 2-15/16" | 3/16" |
💡 Pourquoi utiliser des bearings pillow block FYH UCP dans l’industrie?
Les pillow blocks FYH sont faits pour donner un bon support solide à l’arbre pis s’installent super facilement. Avec leur système de vis de blocage pis leur boîtier tough, c’est parfait pour la machinerie qui mange des grosses charges, qui bouge souvent ou qui prend des chocs.
Quand t’as besoin de force, de stabilité pis de fiabilité – visse ce bearing-là pis ton équipement va rouler comme un champion!