


FYH
Roulement FYH fabriqué au Japon 60mm UKT313+HE2313X monté
Title
$1,265.81 CAD
$1,708.84 CADvous économisez $443.03 CAD
SKU: UKT313-HE2313X
UPC: 00193019083314
UPC: 00193019083314
Item: FYH Made in Japan Bearing 60mm UKT313+HE2313X Mounted Bearin
Type: Take Up Mounted Bearing
Type: Take Up Mounted Bearing
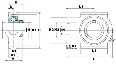
Roulement FYH UKT313 Roulement monté Alésage cylindrique (avec vis de pression) Roulement avec diamètre intérieur de 60mm |
L’unité de tension rentre dans un cadre de tension pis ça te permet d’ajuster en ligne droite sur le plan de l’unité. Y’a des versions à fente internationales pis locales. Tu vas voir ça surtout sur des convoyeurs à courroie, pis c’est ben pratique quand t’as besoin de jouer avec la distance de l’arbre.
|