FYH

FYH UCFC-205-15 15/16 palier rond à bride monté

 
$135.13 CAD $182.43 CADvous économisez $47.30 CAD
SKU: Kit17068
UPC: 00193019081495
Item: UCFC-205-15 Bearing
Type: Round Flanged Bearing
Basic Load (Cr): 14 KN
Basic Load (Cor): 7.85 KN
Bolt Size: 3/8
 
Roulement UCFC-205-15 FYH
Roulement monté à bride ronde
Alésage cylindrique (avec vis de pression)
Roulement avec diamètre intérieur de 15/16 po




Cette unité de palier à cartouche avec quatre boulons a une cartouche ronde en arrière de la bride, ce qui te permet de l’installer ben comme il faut pis d’avoir un alignement précis. Tu vas voir ça dans des tambours rotatifs, des rouleaux qui tournent pis partout où t’as besoin que ça fitte au quart de tour.

  • Bearing UCFC-205-15
  • Bearing à bride ronde
  • Charge de base (Cr) : 14 KN
  • Charge de base (Cor) : 7,85 KN
  • Grosseur du boulon : 3/8"
  • No de bearing : UC205-15
  • Quantité : Un bearing


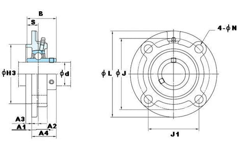
Dimensions (pouces)
d L H3 J J1 N A1 A2 A3 A4 B S
15/16" 4-17/32" 2.76" 3-35/64" 2-1/2" 15/32" 13/16" 25/64" 15/64" 1-3/16" 1.34" 0.56"