

UCP324 Bloc Palier Robuste - Alésage 120mm
UPC: 0
Type: Heavy Duty Pillow Block
Bore: 120mm
Bearing No.: UC324
Bolt Size: M33
Roulement en bloc robuste UCP324
✔️ Alésage 120mm - Boîtier en fonte - Grosse capacité de charge
Le UCP324, c’est un gros bloc de roulement fait pour les jobs industriels tough. Avec son alésage cylindrique de 120mm pis son boîtier en fonte solide, il est prêt à encaisser des grosses charges radiales pis axiales. Les vis de pression sur la bague intérieure tiennent l’arbre ben serré, fait que c’est parfait pour la machinerie, les convoyeurs ou les systèmes d’entraînement qui en mangent des coups.
✅ Type : unité de roulement à billes montée, heavy-duty
✅ Diamètre d’alésage : 120mm
✅ Boîtier : support en bloc avec base nervurée pour résister à la charge
✅ Numéro de roulement : UC324
✅ Taille du boulon : M33
✅ Matériau : boîtier en acier coulé
✅ Capacité de charge dynamique (Cr) : 185 kN
✅ Capacité de charge statique (Cor) : 207 kN
✅ Montage : Alésage cylindrique avec vis de pression
✅ Quantité par paquet : 1 unité
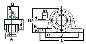
Tableau des dimensions (mm) :
Spéc | Valeur |
---|---|
d (Alésage) | 120mm |
H (Hauteur totale) | 160 |
L (Longueur totale) | 570 |
A (Largeur de la base) | 140 |
J (Distance entre les trous de boulon) | 450 |
N (Diamètre du trou de boulon) | 40 |
N1 (Largeur de la fente) | 55 |
H1 (Hauteur au centre) | 50 |
H2 (Hauteur de la base) | 316 |
L1 (Largeur du boîtier) | 160 |
S (Espacement des vis de pression) | 51 |
💡 Pourquoi pogner un palier à semelle heavy-duty comme le UCP324?
Les paliers à semelle heavy-duty sont faits pour rester stables même quand ça shake pis que ça force. Avec un boîtier en fonte ben solide pis un gros diamètre intérieur, le UCP324 tient des arbres massifs pis te donne une performance fiable, même dans les pires conditions d'usine.
Prêt à lever du lourd – ajoute le UCP324 à ton équipement pis garde ça roulant fort même quand ça brasse!