FYH

SAPP201 FYH Bearing 12mm Roulement en acier monté type oreiller

 
$76.13 CAD $102.76 CADvous économisez $26.63 CAD
SKU: Kit11792
UPC: 00193019079867
Item: SAPP201 Bearing
Type: Steel plate pillow Bearing
Bolt Size: M8
Basic Load (Cr): 9.55 KN
Basic Load (Cor): 4.8 KN
 
Roulement FYH SAPP201
Roulement coussinet en tôle d’acier
Alésage cylindrique (avec vis de pression)
Roulement diamètre intérieur 12mm




Ce modèle coussinet léger pour petites charges comprend un roulement à billes standard pis un boîtier en tôle d’acier pressée. Parfait pour convoyeurs légers ou des endroits où ça tourne pas vite pis y’a pas trop de charge.

  • Roulement SAPP201
  • Roulement coussinet en tôle d’acier
  • Taille du boulon : M8
  • Charge de base (Cr) : 9,55 KN
  • Charge de base (Cor) : 4,8 KN
  • No de roulement : SA201
  • Quantité : Un roulement


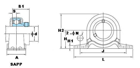
Dimensions (mm)
d H L A J N H1 H2 S B1
12 22.2 86 25 68 9.5 3.2 43.8 6 28.5