

308 lbs Heavy Duty 36mm Drop-in Ball Transfer Unit - Machined Steel
UPC: 00193019012703
Type: Ball Transfer unit
Ball Material: Chrome Plated
Load Capacity: 308 lbs
Breaking Load: 352 lbs
308 lbs Heavy Duty Ball Transfer Unit - Machined Steel
✔️ 36mm Drop-In Style - Chrome Plated - One Unit
This heavy-duty ball transfer unit is built from solid machined steel and designed to move loads up to 308 lbs with ease. Ideal for conveyor systems, assembly lines, or material transfer tables, the unit features a chrome-plated ball and support cup for smooth, long-lasting performance.
✅ Load capacity: 308 lbs
✅ Breaking load: 352 lbs
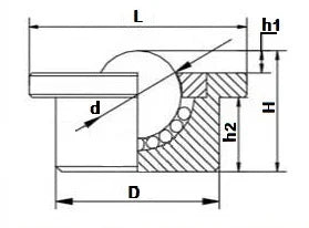
✅ Main ball diameter: 22.225mm (0.875")
✅ Housing diameter (D): 36mm (1.42")
✅ Overall height (H): 31mm (1.22")
✅ Flange thickness (h1): 4mm (0.157")
✅ Recess depth (h2): 21.2mm (0.087")
✅ Overall length (L): 45mm (1.77")
✅ Material: Solid machined steel with chrome-plated ball and cover
✅ Ball support cup is hardened and plated for extended durability
✅ Quantity: 1 unit
✅ Weight: 0.08 lb
💡 What are ball transfer units used for?
Ball transfer units are ideal for material handling applications that require easy, multidirectional movement of items - like on transfer tables, conveyors, or packaging lines. They reduce friction and improve load mobility with minimal effort.
A strong, compact transfer solution designed for smooth rolling under pressure.