VXB

40 Ton Heavy Duty 43 inch Diameter Extra Large Turntable Bearing

 
$1,182.07 CAD $1,595.80 CADyou save $413.73 CAD
SKU: 40TON-43-HEAVY-DUTY-TURNTABLE
UPC: 00193019146323
Item: 40 Ton Heavy Duty Extra Large 43inch Turntable Bea
Type: Turntable Bearing
Size: 930mm x 1100mm x 84mm
Size: 36.61" x 43.30" x 3.30" Inch
45-60 days shipping
 
40 Ton Heavy Duty 43 inch Diameter
Extra Large Turntable Bearings
930mm x 1100mm x 84mm



40 Ton Heavy Day 43 inch Diameter extra Large Turntable Bearings for any heavy loads rotation

  • Extra Large Turntable Bearing
  • Load Capacity: 40 Ton
  • Angular Contact Heavy Duty Bearings
  • Size: 930mm x 1100mm x 84mm
  • Bearing Inner Diameter: 930mm
  • Bearing Outer Diameter: 1100mm
  • Bearing Width: 84mm
  • Size: 36.61" x 43.30" x 3.30" Inch
  • Bearing Inner Diameter: 36.61" Inch
  • Bearing Outer Diameter: 43.30"Inch
  • Bearing Width: 3.30" Inch
  • Lubrication: Pre-lubricated with grease
  • Quantity: 1 Bearings
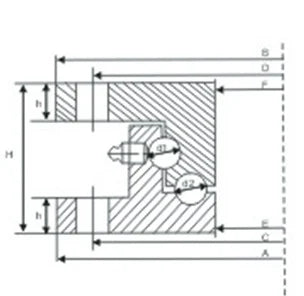
Item A B C D E f h H d
40Ton Heavy Duty Extra Large 43inch Turntable Bearing 1100 1100 1070 1070 930 930 19 84 15.785