VXB

B542-2RS Extra Light Torque Tube Type Airframe Control Bearing 1-5/16" x 1-3/4" x 9/32"inch

 
$76.13 CAD $102.76 CADyou save $26.63 CAD
SKU: B542-2RS
UPC: 00193019346037





 

B542-2RS Extra Light Torque Tube Type Airframe Control Bearing
✔️ 1-5/16" x 1-3/4" x 9/32" - Rubber Sealed

Designed for precision and durability in aviation and aerospace applications, the B542-2RS is an extra light duty torque tube bearing ideal for control surface linkage systems. It offers smooth operation with high load ratings while maintaining a compact, low-profile design.

✅ Item: B542-2RS
✅ Type: Full Complement Extra Light Duty, Single Row Ball Bearing
✅ Application: Airframe control and torque tube systems
✅ Seals: Rubber Sealed (2RS)
✅ Lubrication: Preservative coated (dry, not greased)
✅ Material: Chromium-alloy, high carbon steel (non-cadmium plated)
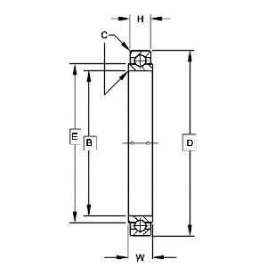
✅ Dimensions:
 - Bore (ID): 1-5/16"
 - Outer Diameter (OD): 1-3/4"
 - Width: 9/32"
✅ Inner Ring Width (H): 0.281"
✅ Inner Ring OD (W): 1.454"
✅ Shoulder Height (E): 0.015"
✅ Radial Load Capacity: 5,950 lbs
✅ Thrust Load Capacity: 2,700 lbs
✅ Brand: VXB Bearing
✅ Quantity: 1 Bearing

💡 What makes airframe control bearings different from standard bearings?
Airframe control bearings like the B542-2RS are specifically engineered for aircraft control applications, offering tight tolerances, lightweight construction, and enhanced resistance to vibration and axial/radial stress - ensuring reliable performance under extreme conditions.