NBK

10-Pack Made in Japan SLHL-M6-10 NBK Socket Head Cap Screws - Low Profile

 
$104.68 CAD $141.31 CADyou save $36.63 CAD
SKU: SLHL-M6-10-NBK
UPC: 0
Item : SLHL-M6-10
Quantity: 10 Screws
Brand : NBK
Made in Japan

 
Made in Japan SLHL-M6-10 NBK
Socket Head Cap Screws with Low Profile
Pack of 10


Applivcation
    Reducing the size of equipment and devices
Characteristics:
  • Socket head cap screws have low head heights.
  • Intended for reducing the size of devices and applications with limited overhead space



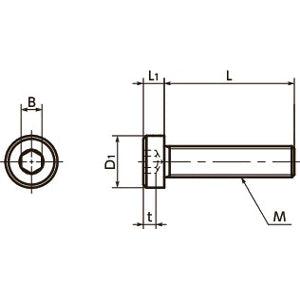
Part Number M L D1 B t L1 Max. Torque(N-m) Quantity Per Pack
SLHS-M6-10-NBK M6 10MM 10MM 4MM 3MM 4MM 11 N.M 10