



VXB
UC214-44 Black Oxide Plated Axle Bearing Insert Mounted Bearing 2-3/4" Bore
Title
$352.13 CAD
$475.37 CADyou save $123.24 CAD
SKU: UC214-44-BLACK
UPC: 00193019332085
UPC: 00193019332085
Item: UC214-44 Black Bearing Insert
Type: UC214-44 Black Oxide plated Bearing Insert Bearing
Shaft Diameter: 2 3/4" Inch
Dynamic Load Rating: 61830 N
Static Load Rating: 44037 N
Type: UC214-44 Black Oxide plated Bearing Insert Bearing
Shaft Diameter: 2 3/4" Inch
Dynamic Load Rating: 61830 N
Static Load Rating: 44037 N
UC214-44 Black Oxide Plated Axle Insert Mounted Bearing 2 3/4" Inch Inner Diameter |
UC214-44 Black Oxide plated Bearing Insert, Bearing is standard duty, bearing is Wide inner ring with spherical outer ring, Bearing is re lubrication groove with oil hole on set screw side, bearing is nylon patched class 3A set screw, Standard seal is R-Seal. Black oxide has certain properties and characteristics that makes it ideal for certain applications. It is used to add corrosion resistance and for appearance.
|
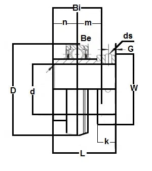
Dimensions (Inches) | ||||||||
---|---|---|---|---|---|---|---|---|
D | Bi | Be | r | n | m | G | W | ds(UNF-Thread) |
4-59/64" | 2-15/16" | 1-9/64" | 0.098" | 1-3/16" | 1-3/4" | 31/64" | 3-27/36" | 7/16-20x7/16 |