VXB
UC218-56 Black Oxide Plated Axle Bearing Insert 3 1/2" Mounted
Title
$677.63 CAD
$914.79 CADyou save $237.16 CAD
SKU: UC218-56-BLACK
UPC: 00193019332177
UPC: 00193019332177
Item: UC218-56 Black Bearing Insert
Type: Black Oxide Plated Axle Bearing Insert
Shaft Diameter: 3 1/2" Inch
Dynamic Load Rating: 95503 N
Static Load Rating: 62720 N
Type: Black Oxide Plated Axle Bearing Insert
Shaft Diameter: 3 1/2" Inch
Dynamic Load Rating: 95503 N
Static Load Rating: 62720 N
|
UC218-56 Black Oxide Plated Axle Bearing Insert 3 1/2" Inch Inner Diameter |
UC218-56 Black Oxide Plated Axle Bearing Insert, Bearing is standard duty, bearing is Wide inner ring with spherical outer ring. Black oxide has certain properties and characteristics that makes it ideal for certain applications. It is used to add corrosion resistance and for appearance.
|
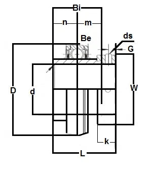
| Dimensions (Inches) | ||||||||
|---|---|---|---|---|---|---|---|---|
| D | Bi | Be | r | n | m | G | W | ds(UNF-Thread) |
| 6-19/64" | 3-25/32" | 1.417" | 0.118" | 1-9/16" | 2-7/32" | 19/32" | 4-25/64" | 1/2-20x1/2 |